浙江j9国际站官网入口液压科技股份有限公司
j9国际站官网入口液压产品覆盖工程、农业、矿山、工业、环保和军工等各类车辆配套的液压阀、油缸

手机版 微官网 English


销售热线

技术热线:0576-85183757


装载机

所在位置:首页 解决方案 > 工程机械 > 装载机 >


关键词:多路阀系列先导阀系列制动阀系列操纵阀系列农机阀系列转向阀系列


产品分类 Product Lists

全国服务热线:

0576-85182037

产品样册下载

销售电话:0576-85182037
技术电话:0576-85183757
传真号码:0576-85182843
联系邮箱:haihong@cn-hydraulic.com
公司地址:浙江省临海市江南街道金岭路199号


产品特点

  • 整体式三联结构;

    控制方式:手控、液控;

    回路形式:串联回路;

    密封性能好;

  • 溢流阀、过载阀、补油阀等采用插装式结构;

    结构紧凑、压力损失小;

    通用性好,便于维修。


应用领域

滑移装载机等其它工程机械工作装置液压系统。

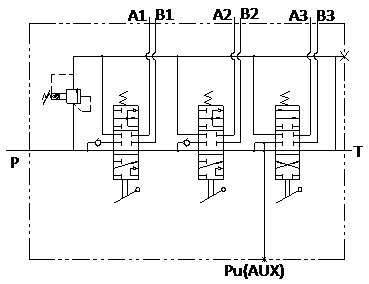
液压原理图

12

技术参数(对超出下述参数的应用场合,请与我公司联系)

概述

油口连接方式

螺纹连接

控制方式

压力控制

安装方式

见外形图

通径 mm

19

液压

公称流量L/min

100

公称压力bar

200

允许最大回油背压bar

15

先导控制压力bar

30

先导控制曲线bar

4~25

液压油温度范围℃

-20~+100

粘度范围m2/s

10~460

油液允许的污染等级

-/19/16 (ISO4406:1999)

机械

重量

20kg

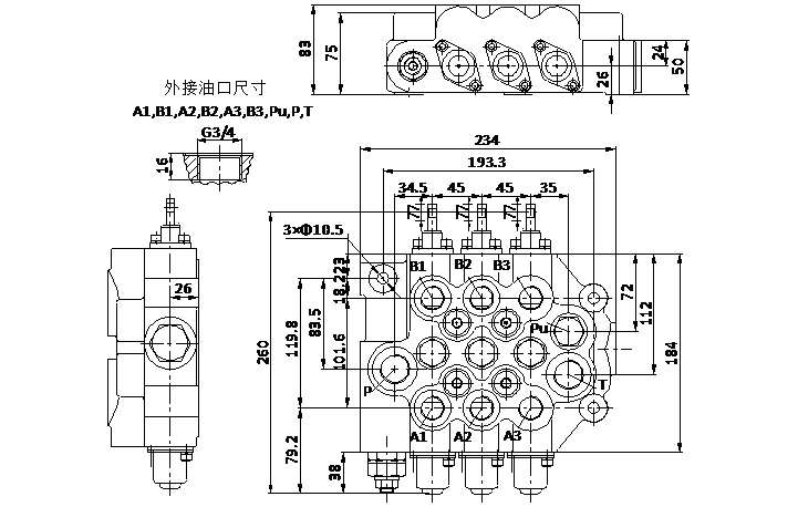
产品外形图

13

相关产品



j9国际站官网入口液压

销售热线:0576-85182037


技术热线:0576-85183757   传真号码:0576-85182843
联系邮箱:haihong@cn-hydraulic.com   公司地址:浙江省临海市江南街道金岭路199号

友情链接: 多路阀系列 先导阀系列 制动阀系列 操纵阀系列 农机阀系列 转向阀系列 Sitemap TXT Sitemap XML 网站地图

微信二维码
微信官网

手机端二维码
手机官网